發電機組作為關鍵動力設備,其運行穩定性和抗震性能直接影響整個電力系統的可靠性。JA型橡膠減振器憑借其獨特的結構設計和材料特性,為發電機組提供了有效的振動控制和抗震解決方案。

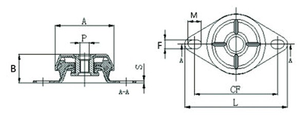
在發電機組安裝中,JA型橡膠減振器通過其高彈性橡膠體有效隔離設備振動。發電機組運行時產生的機械振動會通過基礎結構傳遞,而JA型減振器的阻尼特性能夠吸收大部分振動能量,將振動傳遞率控制在理想范圍內。這種隔振效果不僅保護了機組本身,也防止振動對周邊建筑結構造成影響。抗震性能是JA型減振器的突出優勢。當遇到突發地震時,減振器的柔性支撐結構能夠允許發電機組在一定范圍內位移,避免剛性連接導致的設備損壞。其多層橡膠與金屬板交替粘結的特殊構造,既保證了垂直方向的支撐剛度,又提供了水平方向的位移補償能力,為發電機組提供了全方位的抗震保護。

環境適應性使JA型減振器特別適合發電機組應用。發電場所往往存在油污、潮濕等復雜環境因素,JA型減振器采用耐油、耐老化的特種橡膠材料制成,能夠長期保持彈性性能不變。其結構設計還考慮了防塵和防腐蝕要求,確保在惡劣環境下仍能可靠工作。


隨著發電設備向大功率、高參數發展,對減振抗震的要求不斷提高。JA型橡膠減振器通過優化材料配方和結構設計,持續提升其承載能力和減振效果,為現代發電機組提供了更加安全可靠的振動控制方案。正確選擇和安裝適合的JA型減振器,能夠顯著提升發電機組的運行穩定性和使用壽命。